
|
電動調節蝶閥標準規范:
設計標準【GB/T12238-1989 JB/T8692-1998】
法蘭連接尺寸【GB/T9115.1-2000】
結構長度【h:GB/T12221-1989】
壓力試驗【GB/T13927-1992;JB/T9092-1999】 |
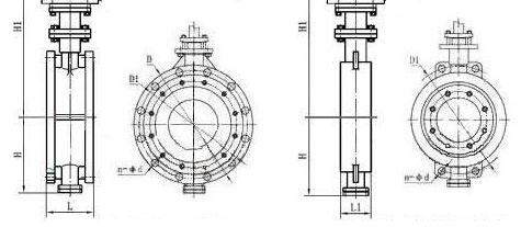
![]() 電動法蘭調節蝶閥結構圖 電動對夾式調節蝶閥結構圖 |
| 公稱通徑 | DN50~DN1200(mm) | ||
| 公稱壓力 | PN0.6、1.6、2.5、4.0MPa | ||
| 連接形式 | 對夾式、法蘭式 | ||
| 操作方式 | 電動控*(電源驅動) | ||
| 密封形式 | 金屬硬密封,軟密封(可達零泄露) | ||
| 電源電壓 | AC220V、AC380V(其他定*DC24等)50/60Hz | ||
| 信號反饋 | 有源信號、S無源信號 | ||
| 手動功能 | 可根據需要裝配手動開閥、關閥功能 | ||
| 適用溫度 |
-30℃~450℃ | ||
| 動作時間 | 15秒/30秒/60秒 | ||
| 可調范圍 | 50:1 | ||
| 應用場所 | 蒸汽、水、氣體、油品及高溫或含雜質工況 | ||
| 控*形式 | 智能調節式(輸入輸出4-20mA信號控*) | ||










